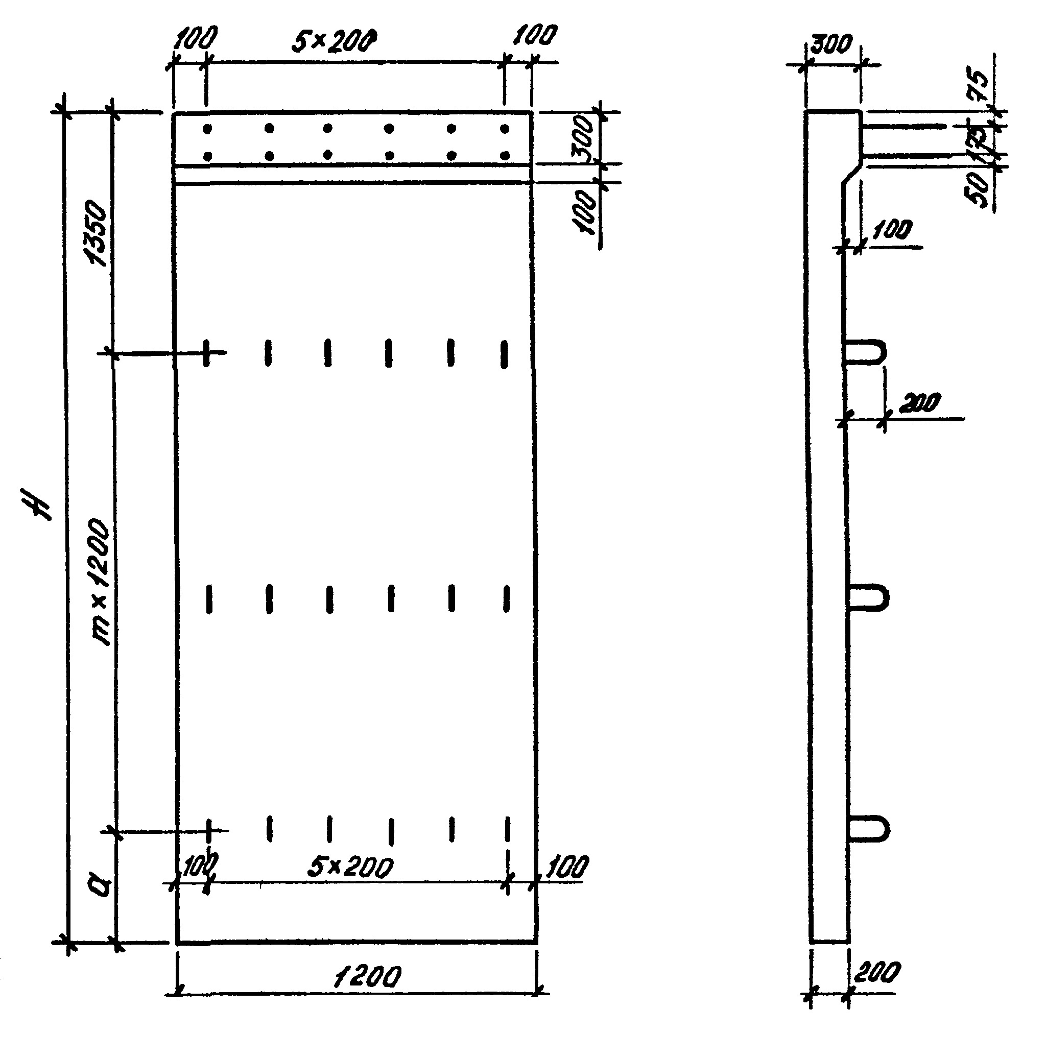
Плита фундаментная плоская ППФ 12-87 представляет собой железобетонное изделие, предназначенное для использования в строительстве фундаментов зданий и сооружений. Она имеет прочную структуру и высокую надежность, что обеспечивает долговечность и устойчивость фундамента.
Плита фундаментная плоская ППФ 12-87 широко применяется в строительстве жилых, коммерческих и промышленных объектов. Она используется для создания устойчивого и надежного фундамента, который обеспечивает равномерное распределение нагрузок и защиту от деформаций. Это изделие идеально подходит для строительства зданий любой сложности и обеспечивает высокое качество и долговечность конструкции.









